我可以: 邀请好友来看>>
ZOL星空(中国) > 新手区星空(中国) > CS5258扩展坞CS5268精简方案|typec转hdmi+vga方案芯片|ASL芯片规格书
帖子很冷清,卤煮很失落!求安慰
返回列表
签到
手机签到经验翻倍!
快来扫一扫!

CS5258扩展坞CS5268精简方案|typec转hdmi+vga方案芯片|ASL芯片规格书

54浏览 / 0回复

1369227207吴

1369227207吴

0
精华
24
帖子

等  级:Lv.3
经  验:1178
  • Z金豆: 23

    千万礼品等你来兑哦~快点击这里兑换吧~

  • 城  市:广东
  • 注  册:2023-06-30
  • 登  录:2025-03-07
  • 初领任务
  • 身份验证
发表于 2023-07-07 16:20:07
电梯直达 确定
楼主

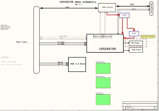
CS5258typec扩展芯片/扩展坞二合一方案芯片,支持TypecHDMI4k30hz+VGA,是由ASL集睿致远推出的一款高性能的C/DP4HDMl.4bVGA转换 器,旨在帮助您连接USB Type-CDP 1.4源到HDMI 1.4b接收 器,让您更便捷地享受高清视频。


CS5258扩展坞CS5268精简方案|typec转hdmi+vga方案芯片|ASL芯片规格书 

CS5258相当于CS5268精简版,CS5268TypecHDMI+VGA+PD3.0+USB3.0扩展坞四合一方案芯片,而CS5268集成了DP 1.4兼容接收 器、HDMI 1.4b兼容发射 器和VGA输出接口,支持多个细分市场和显示应用,如加密狗、扩展坞等。此外,它还包括两个CC控制器,用于CC通信,以实现DP Alt模式功能,一个用于上游Type-C端口,另一个用于下游端

口。

 
CS5258扩展坞CS5268精简方案|typec转hdmi+vga方案芯片|ASL芯片规格书

 

DP接口包括2个主通道、辅助通道和HPD信号,支持每个通道最大5.4Gbps(HBR2)的数据速率,并采用了HDCP 1.4内容保护方案,嵌入式密钥用于数字音频视频内容的安全传输。HDMI接口包括4TMDS时钟/数据对、DDCHPD信号,能够支持高达3Gbps的数据速率,对干处理高达FHD 1080p120HzUHD 4k30Hz格式的视频分辨率非常足够,并集成了支持HDCP 1.4HDCP引整,让您享受受保护内容的安全传输。嵌入式密钥可提供最高级别的HDCP密钥安全性。选择CS258,您将获得一款高度集成的单芯片,并能轻松连接各种设备,享受高清视频带来的乐趣。


CS5258扩展坞CS5268精简方案|typec转hdmi+vga方案芯片|ASL芯片规格书

高级模式
星空(中国)精选大家都在看24小时热帖7天热帖大家都在问最新回答

针对ZOL星空(中国)您有任何使用问题和建议 您可以 联系星空(中国)管理员查看帮助  或  给我提意见

快捷回复 APP下载 返回列表