我可以: 邀请好友来看>>
ZOL星空(中国) > 新手区星空(中国) > ASL国产CS5213 转VGA信号输出音频 替代AG6200安格芯片 HDMI to VGA(带音频)方案设计
帖子很冷清,卤煮很失落!求安慰
返回列表
签到
手机签到经验翻倍!
快来扫一扫!

ASL国产CS5213 转VGA信号输出音频 替代AG6200安格芯片 HDMI to VGA(带音频)方案设计

94浏览 / 0回复

1369227207吴

1369227207吴

0
精华
24
帖子

等  级:Lv.3
经  验:1178
  • Z金豆: 23

    千万礼品等你来兑哦~快点击这里兑换吧~

  • 城  市:广东
  • 注  册:2023-06-30
  • 登  录:2025-05-28
  • 初领任务
  • 身份验证
发表于 2023-08-09 14:40:12
电梯直达 确定
楼主

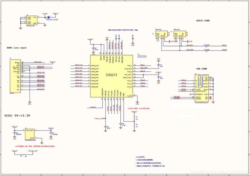
CS5213功能:HDMIVGA带音频输出,专注于设计HDMIVGA带音频输出。可替代AG6200 AG6201

CS5213芯片是一个HDMI(高清多媒体接口)到VGA桥接芯片。

它将HDMI信号转换为标准VGA信号它可以在适配器、智能电缆等设备中设计。

Capstone CS5213 HDMIVGA转换器结合了HDMI输入接口和模拟RGB DAC输出。

带支持片上音频数模转换器,节省成本,优化电路板空间。嵌入式单片机基于工业标准8051内核。

CS5213适用于多种市场和显示应用,如笔记本电脑、主板、台式机、转换和对接系统。


ASL国产CS5213 转VGA信号输出音频 替代AG6200安格芯片 HDMI to VGA(带音频)方案设计
CS5213特征

HDMI 1.4b转换为VGA

CS5213支持高达1920x1200@60Hz的视频分辨率:

CS5213支持热插拔检测

内置晶体,无需外加晶体

内置5V1.2V稳压器

核心电压1.2V

符合HDCP 1.4规范的片上HDCP引擎

集成片上HDCP密钥

CS5213支持2通道IIS音频接口

CS5213支持1080i分辨

CS5213封装

CS5213封装尺寸:48-pin QFN,6 mm x 6 mm

CS5213温度范围(0℃~+85℃)

CS5213应用

电缆适配器、扩展底座、扩展坞

 


CS5213设计以上HDMIVGA转换产品的PCB原理图PCB板图如下所示:


ASL国产CS5213 转VGA信号输出音频 替代AG6200安格芯片 HDMI to VGA(带音频)方案设计
ASL国产CS5213 转VGA信号输出音频 替代AG6200安格芯片 HDMI to VGA(带音频)方案设计

高级模式
星空(中国)精选大家都在看24小时热帖7天热帖大家都在问最新回答

针对ZOL星空(中国)您有任何使用问题和建议 您可以 联系星空(中国)管理员查看帮助  或  给我提意见

快捷回复 APP下载 返回列表