我可以: 邀请好友来看>>
ZOL星空(中国) > 交易区星空(中国) > 其他数码交易星空(中国) > 华为麦芒4 麦芒5 麦芒7手机维修图纸 主板电路图 线路原理图纸 主板位置图 点位图PDF
帖子很冷清,卤煮很失落!求安慰
返回列表
签到
手机签到经验翻倍!
快来扫一扫!

华为麦芒4 麦芒5 麦芒7手机维修图纸 主板电路图 线路原理图纸 主板位置图 点位图PDF

987浏览 / 2回复

2774489301

2774489301

0
精华
17
帖子

等  级:Lv.2
经  验:300
  • Z金豆: 97

    千万礼品等你来兑哦~快点击这里兑换吧~

  • 城  市:广东
  • 注  册:2019-07-12
  • 登  录:2020-10-17
发表于 2019-08-07 13:31:32
电梯直达 确定
楼主

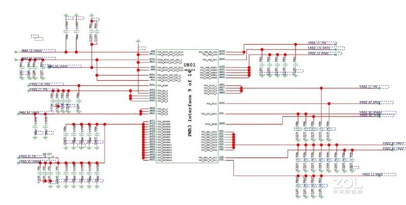
华为麦芒4 麦芒5 麦芒7手机维修图纸 主板电路图 线路原理图纸 主板位置图 点位图PDF 可搜索查询


麦芒5:


华为麦芒4 麦芒5 麦芒7手机维修图纸 主板电路图 线路原理图纸 主板位置图 点位图PDF
华为麦芒4 麦芒5 麦芒7手机维修图纸 主板电路图 线路原理图纸 主板位置图 点位图PDF

obyvyfk270

obyvyfk270


精华

帖子

等  级:Lv.1
经  验:48
发表于 2019-08-27 15:15:35 1楼

您的内容正在火速审核中,请稍等

david_mjw

david_mjw


精华

帖子

等  级:Lv.1
经  验:1
发表于 2020-05-24 22:12:10 2楼
8888888888888888888

weixin_eaxxk

weixin_eaxxk


精华

帖子

等  级:Lv.1
经  验:0
发表于 2020-06-23 00:52:15 3楼

您的内容正在火速审核中,请稍等

qq_16310p713...

qq_16310p7130e2


精华

帖子

等  级:Lv.1
经  验:1
发表于 2021-01-11 23:31:08 4楼
就是刷机网

iewztsvi14

iewztsvi14


精华

帖子

等  级:Lv.1
经  验:0
发表于 2021-02-05 15:54:23 5楼

您的内容正在火速审核中,请稍等

高级模式
星空(中国)精选大家都在看24小时热帖7天热帖大家都在问最新回答

针对ZOL星空(中国)您有任何使用问题和建议 您可以 联系星空(中国)管理员查看帮助  或  给我提意见

快捷回复 APP下载 返回列表