我可以: 邀请好友来看>>
ZOL星空(中国) > 手机星空(中国) > 华为手机星空(中国) > 华为Mate 20星空(中国) > 华为nova /nova2S/nova plus手机线路维修图纸 电路原理图纸 主板位号图纸 PDF线路图
帖子很冷清,卤煮很失落!求安慰
返回列表
签到
手机签到经验翻倍!
快来扫一扫!

华为nova /nova2S/nova plus手机线路维修图纸 电路原理图纸 主板位号图纸 PDF线路图

596浏览 / 0回复

2595155276

2595155276

0
精华
22
帖子

等  级:Lv.2
经  验:345
  • Z金豆: 121

    千万礼品等你来兑哦~快点击这里兑换吧~

  • 城  市:广东
  • 注  册:2019-05-28
  • 登  录:2023-01-09
发表于 2019-06-02 10:38:34
电梯直达 确定
楼主

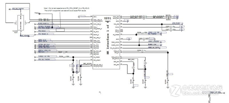
华为nova /nova2S/nova plus手机维修图纸 电路原理图纸 主板位号图纸 线路点位图



华为nova /nova2S/nova plus手机线路维修图纸 电路原理图纸 主板位号图纸 PDF线路图
华为nova /nova2S/nova plus手机线路维修图纸 电路原理图纸 主板位号图纸 PDF线路图


完整图下载地址:





2

5

3

0

1

2

0

高级模式
星空(中国)精选大家都在看24小时热帖7天热帖大家都在问最新回答

针对ZOL星空(中国)您有任何使用问题和建议 您可以 联系星空(中国)管理员查看帮助  或  给我提意见

快捷回复 APP下载 返回列表