我可以: 邀请好友来看>>
ZOL星空(中国) > 产品星空(中国) > 显示芯片星空(中国) > AMD显示芯片星空(中国) > CS5366+VL171设计typec母座转HDMI正反插方案原理图
返回列表
签到
手机签到经验翻倍!
快来扫一扫!

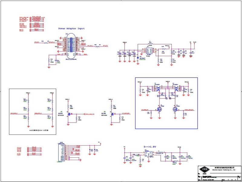
CS5366+VL171设计typec母座转HDMI正反插方案原理图

490浏览 / 0回复

幺3699759787

幺3699759787

0
精华
33
帖子

等  级:Lv.4
经  验:1451
  • Z金豆: 144

    千万礼品等你来兑哦~快点击这里兑换吧~

  • 城  市:北京
  • 注  册:2022-05-18
  • 登  录:2025-05-29
  • 身份验证
发表于 2023-08-03 15:17:56
电梯直达 确定
楼主

CS5366ASL最新推出的2LAN PD的拓展坞方案芯片,CS5366支持最高分辨率/定时4k@60Hz

支持DSC v1.2a,并与前一版本向后兼容

支持DSC解码器和直通模式

嵌入式32RISC-V处理器和SPI闪存

嵌入式EDID(如果终端设备没有EDIDCS536X将响应EDID

同时支持HDCP1.4HDCP2.3以及片上密钥,以支持HDCP中继器

支持RGB 4:4:4 8/10/12bpcYCbCr 4:4:4:2:28/10/12比特bpc

最多支持3216/20/24位音频通道,采样频率最高可达192KHz

支持USB Billboard进行固件更新

CS5366+VL171设计typec母座转HDMI正反插方案原理图CS5366+VL171设计typec母座转HDMI正反插方案原理图
CS5366+VL171设计typec母座转HDMI正反插方案原理图

高级模式
星空(中国)精选大家都在看24小时热帖7天热帖大家都在问最新回答

针对ZOL星空(中国)您有任何使用问题和建议 您可以 联系星空(中国)管理员查看帮助  或  给我提意见

快捷回复 APP下载 返回列表