说明
AP5199S 是一款电路简单的多功能平均电流
型 LED 恒流驱动器,适用于宽电压范围的非隔离式
大功率恒流 LED 驱动领域。
芯片 PWM 端口支持超小占空比的 PWM 调光,
可响应最小 60ns 脉宽。芯片采用我司算法,为客
户提供最佳解决方案,最大限度地发挥灯具优势,以
实现景观舞台灯高辉的调光效果,高辉调光。
PWM 端口为高电平时,芯片正常工作。
为低电平时,芯片输出关闭。
芯片采用我司专利的平均电流控制算法,输出电
流恒流精度 ≤±3%,且输出电流受输入输出电压、系
统电感的影响小;芯片内部集成环路补偿,电路
简洁,系统更加稳定可靠
产品特点
支持高辉调光,调光比
平均电流工作模式
高效率:最高可达 95%
输出电流可调范围 60mA~12A
最大工作频率 1MHz
恒流精度≤±3%
支持 PWM
封装:SOP8
应用领域
景观亮化洗墙灯
舞台调光效果灯
汽车照明
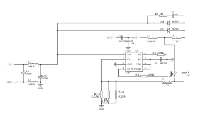
产品应用线路图

产品过EMC认证线路图
