我可以: 邀请好友来看>>
ZOL星空(中国) > 硬件星空(中国) > 其他硬件星空(中国) > CS5801HDMI to EDP/DP方案
帖子很冷清,卤煮很失落!求安慰
返回列表
签到
手机签到经验翻倍!
快来扫一扫!

CS5801HDMI to EDP/DP方案

24浏览 / 0回复

薇芯aoeraoer...

薇芯aoeraoern

0
精华
20
帖子

等  级:Lv.3
经  验:989
  • Z金豆: 88

    千万礼品等你来兑哦~快点击这里兑换吧~

  • 城  市:广东
  • 注  册:2023-05-26
  • 登  录:2024-07-11
发表于 2023-07-07 15:01:02
电梯直达 确定
楼主

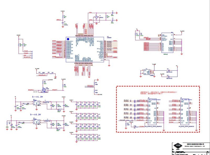
CS5801支持4k@60Hz.对于DP1.4输出,4条数据通道组成,支持1.62Gbps2.7Gbps5.4Gbps的速率.
嵌入式微控制器是基于一个32位的RISC-V内核与内部串行闪存.
CS5801适用于多个细分市场和显示应用,如显示器、加密狗、移动系统和嵌入式应用.

CS5801HDMI2.0bDP1.4a转换器,CS5801具有HDM12.0b输入,最大带宽可达18Gbps它支持4k@60Hz的最高分辨率.
对于DP1.4输出,它由4个数据通道组成,支持1.62Gbps27Gbps5.4Gbps的链路速率,内置可选的SSC功能减少EML效果.

其应用HDMIDP方案电路图如下:


CS5801HDMI to EDP/DP方案

CS5801特性
HDMI规范v2.0b兼容接收机,每个通道的数据速率高达6-Gbps
VESA显示端口TMDPv14兼容发射机
VESA嵌入式显示端口TMeDPv14兼容发射机
支持HDCP1.4HDCP23个芯片上的钥匙
支持RGB 4:4:4 8/10bpcYCbCr 4:4:44:2:28/10bpc
用于芯片控制的辅助通道、I2C主机接口
嵌入式EDID
SPI闪存控制器的嵌入式32RISC-V
只需要一个晶体就可以产生所有的定时
嵌入式微控制器
32RISC-V
支持高达400 KHzI2C主设备和从设备
支持内部串行闪存的SPI控制器
支持一个UART进行调试
电力与技术
3.3V/1.2V电源
所有引脚的HBM 6-KV


高级模式
星空(中国)精选大家都在看24小时热帖7天热帖大家都在问最新回答

针对ZOL星空(中国)您有任何使用问题和建议 您可以 联系星空(中国)管理员查看帮助  或  给我提意见

快捷回复 APP下载 返回列表